第4章 SSD 主控
# 第4章 SSD 主控
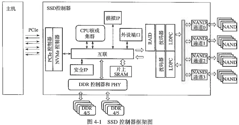
# 4.1 解读控制器架构
控制器:片上系统,处理来自用户端的命令并负责管理闪存颗粒。
整个控制器主要包含以下几个模块:
- 前端主机接口模块:PCIe 控制器、存储协议 NVMe 控制器。
- 后端闪存接口模块:直接和闪存交互,是控制器和闪存交互的通道,一个通道可挂载多个闪存颗粒。
- 后端数据处理模块:RAID、扰码器、LDPC(数据处理单元)
- DDR 控制器和PHY:和 DRAM 交互
- 加解密以及认证的安全模块:负责硬件和数据安全。
- 负责指挥整个系统和协调各个硬件计算系统的CPU以及互联系统
- 其他:片上 SRAM、模拟IP、外设端口
# 1. PCIe 和 NVMe 控制器前端子系统
主要处理来自主机以及协议接口的各种命令。
PCIe 决定了整个控制器的前端和用户交互带宽,主流消费级是4个通道,企业级控制器可能具备8个甚至更多。

NVMe 控制器与主机间的交互流程示意图如图 4-2 所示。
